0577-62781455 0577-62750855
hxjkw@163.com
0577-62771805
首页
关于我们
公司简介
资质证书
新闻资讯
公司新闻
行业动态
产品中心
产品总汇
解决方案
工程案例
服务支持
在线咨询
视频中心
下载中心
联系我们
联系方式
地图导航
产品汇总
Product summary
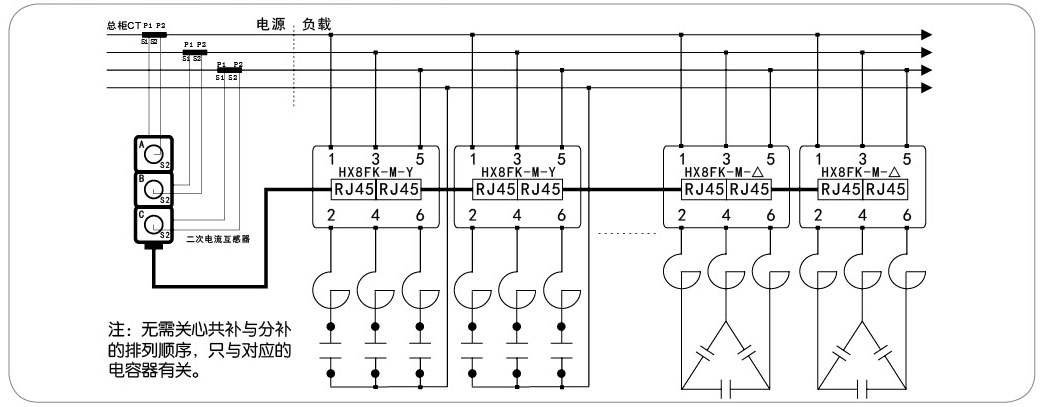
智能联网式投切装置系统组合方式及接线图
产品详情
说明书下载
接线图-HX8FK-M系列单机
接线图-HX8FK-M系列多机
接线图-HX8FK-M系列多机+智能电容控制器
接线图-HX8FK系列联网式投切装置多机+智能电容控制器